Technical drawing
Technical drawing. 3D models. Simulation. Documentation.Izrada tehničkih crteža i dokumentacije
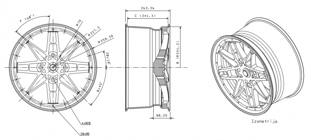
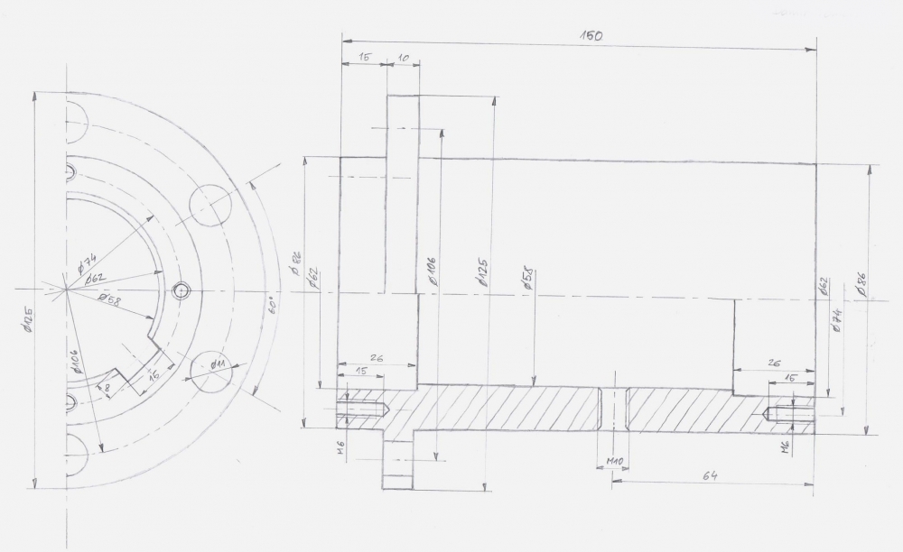
Izrada tehničkih crteža pojedinih dijelova i sklopova, konverzija skica ili crteža sa papira u elektronski oblik, izrada crteža prema 3D CAD modelima, izrada popratne projektne dokumentacije.
Tehničke crteže izrađujemo u standardnim CAD (Computer Aided Design) elektronskim formatima.
Izrada 3D modela
Izrada 3D modela dijelova i sklopova različitih strojarskih i elektrotehničkih projekata. 3D modele izrađujemo u standardnim CAD (Computer Aided Design) elektronskim formatima. Izrada 3D modela pojedinih dijelova i sklopova na osnovi postojećih skica ili crteža, razvoj i konstruiranje proizvoda na temelju zahtjeva kupca te njihova vizualizacija u 3D prostoru. Obrada 3D modela renderiranjem radi realnijeg vizualnog prikaza pogodnog za prezentacije.
Ispitivanje i simulacija svojstava konstrukcije
Ispitivanje i simulacija svojstava konstrukcije - mehanička opterećenja, analiza termalnih, električkih karakteristika te svojstava fluida. Na temelju 3D modela pojedinih dijelova i sklopova vršimo analize konstrukcije iz više fizikalnih područja (Multiphysics Analysis). Ovdje je uključena analiza mehaničkih opterećenja, termalnih svojstava, protoka fluida te analiza električkih svojstava. Rezultati su dostupni u elektroničkom obliku pogodnom za prezentacije.









